DIN-Rail mounted M3 Series Signal Isolator
Brief Introduction
M3 series signal isolator has high measurement accuracy, wide measuring range and good stability; modular structure, flexible configuration and convenient upgrade; SMT design is more simple and light; good linearity and strong anti-interference ability; with RS485 communication, communication protocol: MODBUS RTU; RS-485 has a long transmission distance (transmission
distance ≤ 1000m, the ideal wiring should be shielded wire); it is small in size, easy to install, standard guide rail installation; it adopts switch power supply, suitable for ac100v-265v range or DC24V (± 10%) power supply.
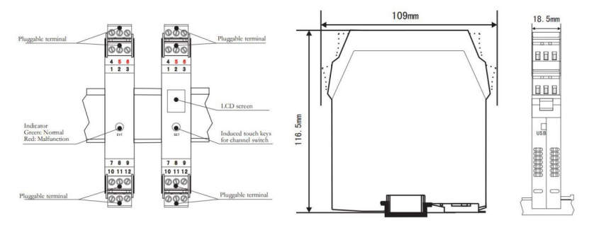
Panel introduction

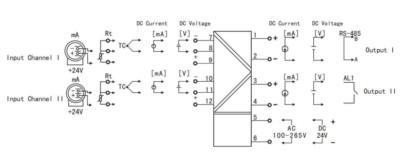
Wiring diagram
