Search
HOME
PRODUCTS
CONTACT US
HOME
PRODUCTS
CONTACT US
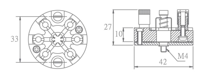
D series
PRODUCTS
>
Thermocouple block
>
D series
1
D series
Product details
D series
Previous:
N series
Next:
S series
Return